メンテナンス / 純正OEM
パーツ&アクセサリー
シリンダヘッド
シリンダヘッドカバー
シリンダ, ピストン
エアクリーナ
マフラ
バルブ
カムシャフト, テンショナ
クランクシャフト
クランクケース
エンジンカバー
オイルパン
スーパーチャージャー
インタークーラー
スロットル
フューエルポンプ
フューエルインジェクション
オイルポンプ
ゼネレータ
イグニッションシステム
スタータモータ
クーリング
ドライブシャフト
ジェットポンプ
ハル
ハル, フロントフィッティング
ハル, ミドルフィッティング
ハル, リヤフィッティング
エンジンマウント
ビルジシステム
シート
パッド
ハンドルポール
ハンドルバー
フューエルタンク
ケーブル
メータ
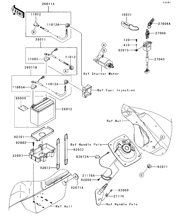
船体電装品
オーナーズツール
ラベル
デカール(ブルー)
デカール(グリーン)
デカール(レッド)