純正部品オーダーシステム
HOME

■純正部品

 > 

シードゥー

 > 

GTX (RFI)

 > 
GTX 1997 5642
  • パーツ&アクセサリー

    パーツ&アクセサリー

  • クランクケース, ロータリーバルブ

    クランクケース, ロータリーバルブ

  • クランクシャフト、ピストン

    クランクシャフト、ピストン

  • シリンダ、エキゾーストマニフォールド

    シリンダ、エキゾーストマニフォールド

  • マグネトー、オイルポンプ

    マグネトー、オイルポンプ

  • スターター

    スターター

  • エンジンサポート&マフラー

    エンジンサポート&マフラー

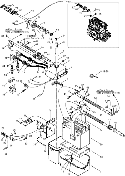
  • エレクトリカルシステム

    エレクトリカルシステム

  • リアエレクトリカルボックス

    リアエレクトリカルボックス

  • 配線コネクター

    配線コネクター

  • エレクトリカルアクセサリー

    エレクトリカルアクセサリー

  • エレクトリカルハーネス

    エレクトリカルハーネス

  • クーリングシステム

    クーリングシステム

  • オイルインジェクションシステム

    オイルインジェクションシステム

  • フュエルシステム

    フュエルシステム

  • エアインテークシステム

    エアインテークシステム

  • キャブレターPTO

    キャブレターPTO

  • キャブレターMAG

    キャブレターMAG

  • ドライブシステム

    ドライブシステム

  • ジェットポンプ

    ジェットポンプ

  • リバース

    リバース

  • ステアリング

    ステアリング

  • シートリア/フロント(エンジンカバー)

    シートリア/フロント(エンジンカバー)

  • フロントストレージコンパートメント

    フロントストレージコンパートメント

  • ボディ

    ボディ

  • ボディ2

    ボディ2

  • デカール

    デカール

ページトップへ