純正部品オーダーシステム
HOME

■純正部品

 > 

シードゥー

 > 

XP (LTD/DI)

 > 
XP 1997 5833
  • パーツ&アクセサリー

    パーツ&アクセサリー

  • クランクケース, ロータリーバルブ

    クランクケース, ロータリーバルブ

  • クランクシャフト, ピストン

    クランクシャフト, ピストン

  • シリンダー, エキゾーストマニホールド

    シリンダー, エキゾーストマニホールド

  • マグネット, オイルポンプ

    マグネット, オイルポンプ

  • スターター

    スターター

  • エンジンサポート, マフラー

    エンジンサポート, マフラー

  • 配線コネクター

    配線コネクター

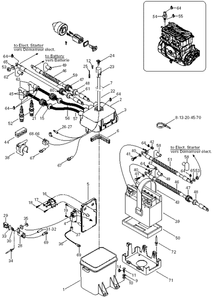
  • エレクトロニックモジュール, エレクトリカルアクセサリー

    エレクトロニックモジュール, エレクトリカルアクセサリー

  • エレクトリカルボックス

    エレクトリカルボックス

  • エレクトリックハーネス

    エレクトリックハーネス

  • クーリングシステム

    クーリングシステム

  • オイルインジェクションシステム

    オイルインジェクションシステム

  • フューエルシステム

    フューエルシステム

  • エアーインテークシステム

    エアーインテークシステム

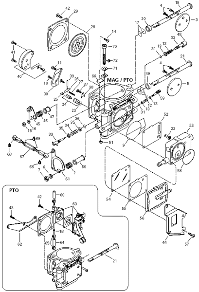
  • キャブレターPTO

    キャブレターPTO

  • キャブレターMAG

    キャブレターMAG

  • ドライブシステム

    ドライブシステム

  • ジェットポンプ

    ジェットポンプ

  • トリム

    トリム

  • ステアリング

    ステアリング

  • シート

    シート

  • シートサスペンション

    シートサスペンション

  • リア アクセスカバー

    リア アクセスカバー

  • エンジンカバー

    エンジンカバー

  • ストレージカバー

    ストレージカバー

  • ボディ1

    ボディ1

  • ボディ2

    ボディ2

  • デカール

    デカール

ページトップへ