純正部品オーダーシステム
HOME

■純正部品

 > 

ヤマハ

 > 

F9.9

 > 
F9.9F 2012 6AU5-WH
  • トップカウリング

    トップカウリング

  • シリンダ、クランクケース1

    シリンダ、クランクケース1

  • クランクシヤフト、ピストン

    クランクシヤフト、ピストン

  • シリンダ、クランクケース 2

    シリンダ、クランクケース 2

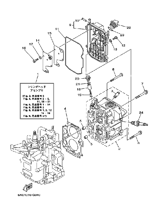
  • バルブ

    バルブ

  • インテーク

    インテーク

  • キャブレタ

    キャブレタ

  • オイルポンプ

    オイルポンプ

  • フュエル

    フュエル

  • スタータ

    スタータ

  • ゼネレータ

    ゼネレータ

  • エレクトリカル 1

    エレクトリカル 1

  • エレクトリカル 2

    エレクトリカル 2

  • エレクトリカル 3

    エレクトリカル 3

  • スターティングモータ

    スターティングモータ

  • ボトムカウリング

    ボトムカウリング

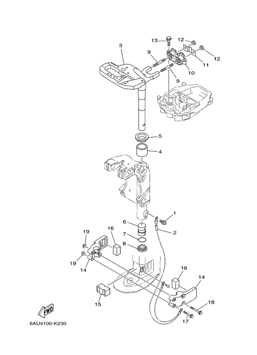
  • ステアリング

    ステアリング

  • ステアリングフリクション

    ステアリングフリクション

  • コントロール

    コントロール

  • リモコンアタッチメント

    リモコンアタッチメント

  • ブラケット 1

    ブラケット 1

  • ブラケット 2

    ブラケット 2

  • アッパーケーシング

    アッパーケーシング

  • オイルパン

    オイルパン

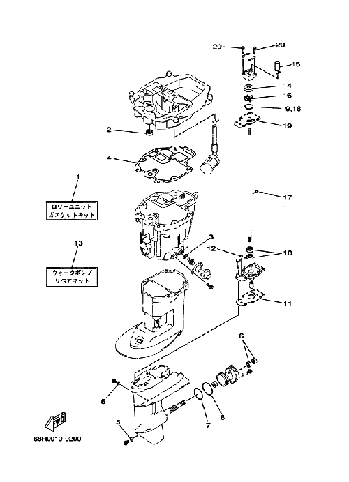
  • ロワーケーシング、ドライブ1

    ロワーケーシング、ドライブ1

  • ロワーケーシング、ドライブ 2

    ロワーケーシング、ドライブ 2

  • ステアリングガイド

    ステアリングガイド

  • リペアキット 1

    リペアキット 1

  • リペアキット 2

    リペアキット 2

  • リペアキット 3

    リペアキット 3

  • フュエルタンク

    フュエルタンク

ページトップへ