純正部品オーダーシステム
HOME

■純正部品

 > 

ヤマハ

 > 

F9.9

 > 
F9.9F 2012 6AU6-WH
  • トップカウリング

    トップカウリング

  • シリンダ、クランクケース1

    シリンダ、クランクケース1

  • クランクシャフト、ピストン

    クランクシャフト、ピストン

  • シリンダ、クランクケース2

    シリンダ、クランクケース2

  • バルブ

    バルブ

  • インテーク

    インテーク

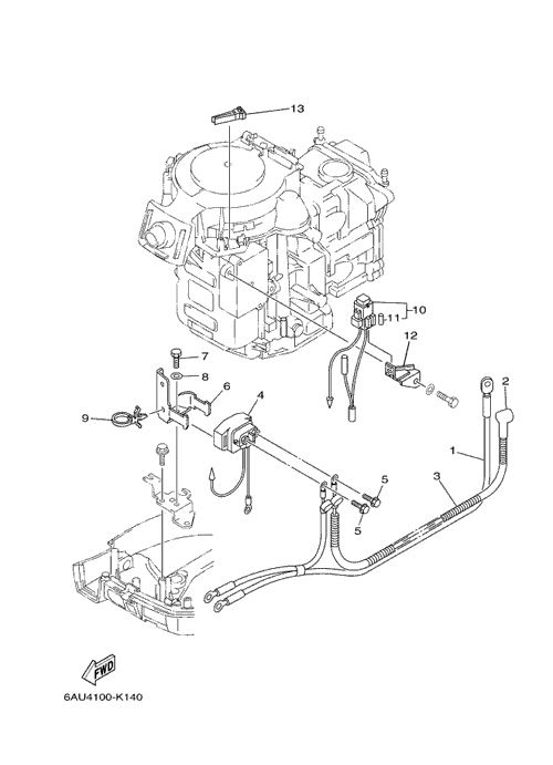
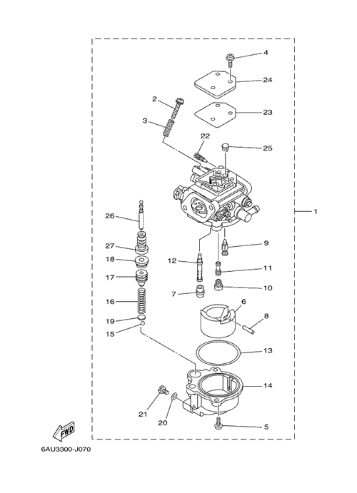
  • キャブレタ

    キャブレタ

  • オイルポンプ

    オイルポンプ

  • フュエル

    フュエル

  • スタータ

    スタータ

  • ゼネレータ

    ゼネレータ

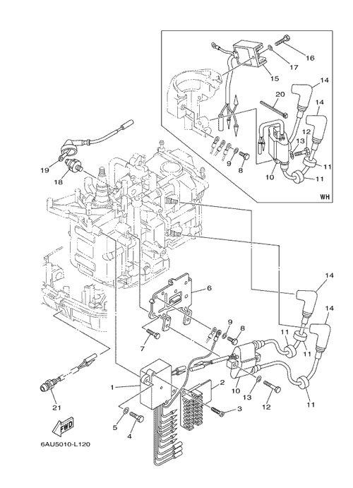
  • エレクトリカル1

    エレクトリカル1

  • エレクトリカル2

    エレクトリカル2

  • エレクトリカル3

    エレクトリカル3

  • スターティングモータ

    スターティングモータ

  • ボトムカウリング

    ボトムカウリング

  • ステアリング

    ステアリング

  • ステアリングフリクション

    ステアリングフリクション

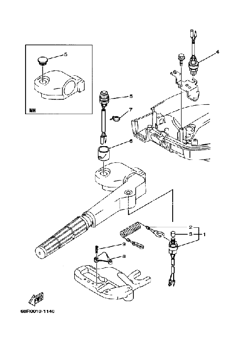
  • コントロール

    コントロール

  • リモコンアタッチメント

    リモコンアタッチメント

  • ブラケット1

    ブラケット1

  • ブラケット2

    ブラケット2

  • アッパーケーシング

    アッパーケーシング

  • オイルパン

    オイルパン

  • ロワーケーシング、ドライブ1

    ロワーケーシング、ドライブ1

  • ロワーケーシング、ドライブ2

    ロワーケーシング、ドライブ2

  • ステアリングガイド

    ステアリングガイド

  • リペアキット1

    リペアキット1

  • リペアキット2

    リペアキット2

  • リペアキット3

    リペアキット3

  • フュエルタンク

    フュエルタンク

ページトップへ